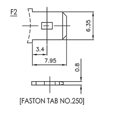
Батарея для ИБП Батарея к ИБП CSB 12В 12 Ач (GPL12120 F2)

Нет в наличии